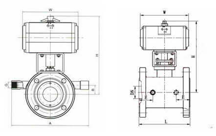
| 公稱通徑 | DN15~DN200(mm) |
| 公稱壓力 | 1.0、1.6、2.5MPa |
| 連接形式 | 對夾、法蘭 |
| 結構形式 | 法蘭分體式、對夾整體式 |
| 驅動形式 | 壓縮空氣4-7bar |
| 動作范圍 | 0~90° |
| 閥芯結構 | O型閥芯 |
| 閥體材質 | 鑄鋼(WCB)、不銹鋼(304、316、316L) |
| 密封材料 | PTFE(聚四氟乙烯)、PPL(對位聚苯)、金屬密封(硬質合金) |
| 使用介質 | 易凝固的高粘度介質 |

| 驅動方法 | 壓縮空氣(可帶手輪) |
| 供氣壓力 | 0.4-0.7mpa |
| 氣源接口 | G1/4"、G1/8"、G3/8"、G1/2" |
| 環境溫度 | -30~+70℃ |
| 作用形式 |
單作用(彈簧復位):氣關式(B)--失氣時閥位開(FO);氣開式(K)--失氣時閥位關(FC)
雙作用(通氣開關):氣關式(B)--失氣時閥不變(FL);氣開式(K)--失氣時閥不變(FL) |
| 可選附件 | 定位器、電磁閥、空氣過濾減壓器、保位閥、行程開關、閥位傳送器、手輪機構等 |